土木建筑学院
国标代码:
13820
招生电话:
0951-8109777
学院概况
学院简介
学院领导
机构设置
学院风采
学院新闻
公告资讯
师资队伍
教授团队
教学团队
科研团队
师资简介
人才培养
本科教育
专业设置
人才培养
专科教育
专业设置
培养方案
教学科研
教学科研动态
教学工程项目
科学研究项目
教学科研成果
党团学工
党建工作
就业服务
团学活动
学生社团
交流访学
实践教学
实验实训
学科(技能)大赛
产教融合
校企合作
产业学院
专业集群
学院官网
当前位置:
首页
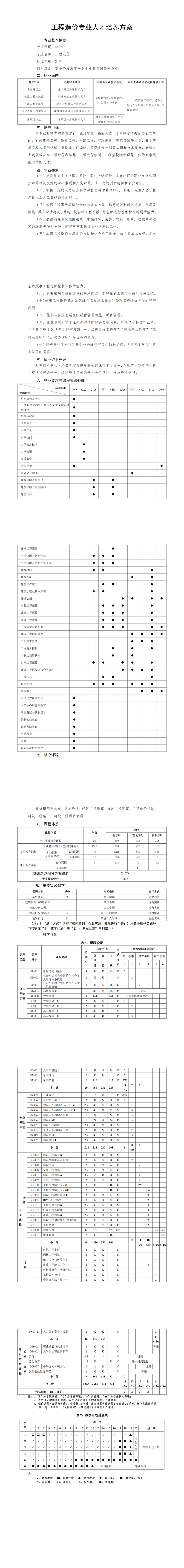
2025版工程造价专业人才培养方案
日期:
2025-10-29
点击:
2347
上一条:
下一条:
2025版建筑室内设计人才培养方案
返回列表